Loading...

Непрерывный контроль
состояния цепей газовой защиты
и других оперативных цепей

Надежная страховка
устройств РЗА
при нарушении изоляции
цепей газовой защиты

Флокс. Устройство контроля изоляции цепей газовой защиты.

Зачем
Контролировать
Газовую
Защиту?

Ложные срабатывания
проиcходят по следующим
причинам:

попадание воды при опробовании системы
пожаротушения на автотрансформаторах
загрязнение цепей газовой защиты
маслом и сажей в процессе эксплуатации
старение изоляции кабелей идущих
от трансформатора до панели защиты
Принцип действия

Флокс срабатывает при снижении
сопротивления изоляции,
которое происходит по причине
механических повреждений
или климатических факторов.

Реле автоматически отличает токи
срабатывания от токов утечки

через изоляцию по величине.

Флокс имеет встроенную
выдержку времени 1 сек.

сопротивление
изоляции ниже
норм ПУЭ
нормальная
работа
цепей ГЗ
Флокс
блокирует
срабатывания
Газовая защит
срабатывает
Работа в любых температурных условиях

Реле Флокс обеспечивает
высокую точность измерения
тока утечки и надежную фиксацию
снижения сопротивления изоляции
ниже выбранной установки
0,55 или 1,1 МОм
во всем рабочем
диапазоне температур

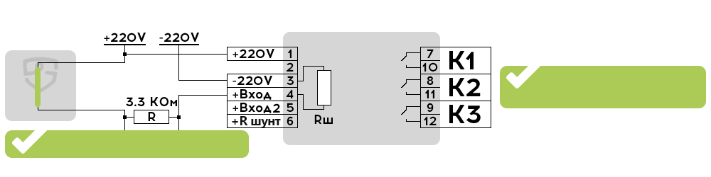
Флокс не требует дополнительных промежуточных реле
3
встроенных
выходных
реле!
Экономьте ваши деньги
Упрощайте
Ваши схемы
Неисправность не приводит к блокированию цепей ГЗ
  • Входная цепь состоит только из
    шунтирующего резистора, поэтому
    сигнал на отключение от газовой
    защиты не пропадает при отсутствии
    питания или отказе реле.
  • Устройство при отказе
    блокирует сигнал
    на отключение
    газовой защиты
Контроль цепей газовой защиты является обязательным
СОГЛАСНО СТАНДАРТУ ОРГАНИЗАЦИИ
ПАО «ФСК ЕЭС»
Нормы технологического проектирования
подстанций переменного тока с высшим
напряжением 35-750 кВ
(НТП ПС)

СТО 56947007-29.240.10.248-2017
3 рекомендованное
количество устройств
на каждый трансформатор
3 года
гарантия на каждое устройство
24х7
график работы технической поддержки

Простой монтаж и демонтаж

  • Монолитный пластиковый корпус
  • Установка без инструментов на DIN-рейку 35 мм
  • Рекомендована установка в шкафах РЗА
  • Максимальное сечение проводников в клеммах - 2.5 мм2

Комплект поставки

  • Реле контроля изоляции Флокс - 1 шт
  • Технический паспорт реле - 1 шт